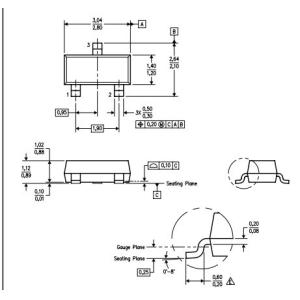
LM2901DR SOP Integrated Circuit Microprocessor Chip
|
LM2901DR SOP Electronic Components IC MCU Microcontroller Integrated Circuits LM2901DR #detail_decorate_root .magic-0{border-bottom-style:solid;border-bottom-color:#53647a;font-family:Roboto;font-size:24px;......
Shenzhen Kaigeng Technology Co., Ltd.
|
454MHZ Integrated Circuit Microprocessor , I.MX23 169MAPBGA MCIMX233DJM4C
|
MCIMX233DJM4C IC MPU I.MX23 454MHZ 169MAPBGA N✖P USA Inc. Product Details Introduction The i.MX25 multimedia applications processor has the right mix of high performance, low power, and integration to support the growing needs of the industrial and general......
Sanhuang electronics (Hong Kong) Co., Limited
|
IC Integrated Circuits AM6421BSFGHAALV FCBGA-441 Microprocessors - MPU
|
IC Integrated Circuits AM6421BSFGHAALV FCBGA-441 Microprocessors - MPU Specifications Product Attribute Attribute Value Manufacturer: Texas Instruments Product Category: Microprocessors - MPU Mounting Style: SMD/SMT Package / Case: FCBGA-441 Series: AM6421......
Shenzhen Zhongkaixin Micro Electronics Co., Ltd.
|
Integrated Circuit Chip AM3352BZCZD80 32-Bit 800MHz ARM Cortex-A8 Microprocessors IC
|
Integrated Circuit Chip AM3352BZCZD80 32-Bit 800MHz ARM Cortex-A8 Microprocessors IC Product Description Of AM3352BZCZD80 AM3352BZCZD80 microprocessors, based on the ARM Cortex-A8 processor, are enhanced with image,graphics processing,peripherals and ......
ShenZhen Mingjiada Electronics Co.,Ltd.
|
Integrated Circuit Chip PowerPC 2 GHz Microprocessor LMK1D2104RHDR 28-VFQFN Clock Clock Buffer IC 1:4
|
Integrated Circuit Chip PowerPC 2 GHz Microprocessor LMK1D2104RHDR 28-VFQFN Clock Clock Buffer IC 1:4 PRODUCT DESCRIPTION Part number LMK1D2104RHDR is manufactured by TI Technologies and distributed by Stjk. As one of the leading distributors of electronic......
STJK(HK) ELECTRONICS CO.,LIMITED
|
Microprocessor Supervisory Circuit Integrated Circuit Chip MAX791CPE
|
Microprocessor Supervisory Circuit MAX791 General Description The MAX791 microprocessor (µP) supervisory circuit reduces the complexity and number of components needed to monitor power-supply and battery-control functions in µP systems. The 50µA supply ......
ChongMing Group (HK) Int'l Co., Ltd
|
Integrated Circuit Chip 3-Pin Microprocessor Reset Circuits MCP852TVR66 MOTOROLA BGA
|
...Microprocessor Reset Circuits . Part NO: MCP852TVR66 Brand: MOTOROLA Mounting Type: Surface Mount Date Code: 03+ Quality Warranty: 3 Months Application: COMPUTER Over View The Northbridge typically handles communications among the CPU, in some cases RAM, and PCI Express (or AGP) video cards, and the Sourthbridge. Some Northbridges also contain integrated......
Mega Source Elec.Limited
|
Ultra Low Power Electronic Integrated Circuits
|
...USB IF high speed certified (TID # 40460272) Single-chip integrated USB 2.0 transceiver, smart SIE, and enhanced 8051 microprocessor Fit, form, and function compatible with the FX2 Pin-compatible0 Object-code-compatible Functionally compatible (FX2LP......
Shenzhen Hongxinwei Technology Co., Ltd
|
TC835CPI Data Acquisition Converter Integrated Circuit Switch
|
TC835CPI Personal Computer Data Acquisition A/D Converter Applications : Personal Computer Data Acquisition. Scales, Panel Meters, Process Controls. HP-IL Bus Instrumentation. Features : Upgrade of Pin-Compatible TC7135, ICL7135. 200 kHz Operation. Single ......
Shenzhen Weitaixu Capacitor Co.,Ltd
|
Integrated Circuits TMS320F28377DPTPT Original IC Chip
|
... BRAND Description integrated circuit FAQ Q1: How long is your delivery time? A: Group buying delivery time: 30-60 days; General delivery time: ......
Shenzhen Tengshengda ELECTRIC CO., LTD.
|
